1996 firebird electric fan diagram

Electric Fan wire overheats - Firebird Classifieds & Forums (1967, 1968. 10 Pictures about Electric Fan wire overheats - Firebird Classifieds & Forums (1967, 1968 : radiator cooling fans not kicking in......... - Fourth Generation, 1986 Pontiac Firebird Cooling Fan: the Fan Will Not Run Unless Air... and also Electric Fan wire overheats - Firebird Classifieds & Forums (1967, 1968.

Electric Fan Wire Overheats - Firebird Classifieds & Forums (1967, 1968

Electric Fan wire overheats - Firebird Classifieds & Forums (1967, 1968 firstgenfirebird.org

forums fan electric kit

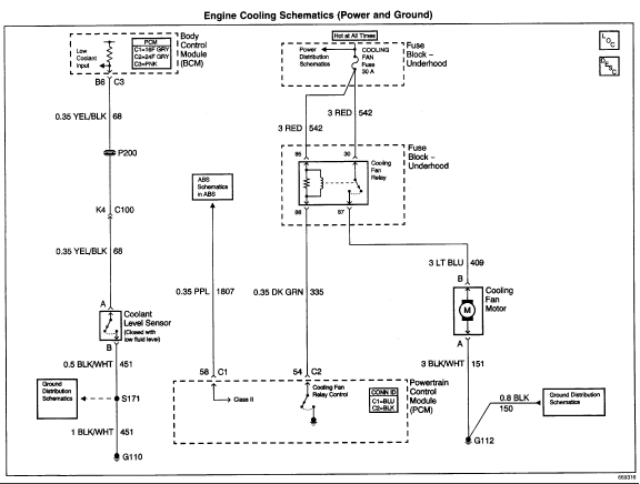
Pontiac Firebird Documents : Free Download, Borrow, And Streaming

Pontiac Firebird Documents : Free Download, Borrow, and Streaming archive.org

coolant auxiliary switch fan pontiac firebird documents

Radiator Cooling Fans Not Kicking In......... - Fourth Generation

radiator cooling fans not kicking in......... - Fourth Generation www.firebirdnation.com

ls3 ls1 lt1 lms schematic kicking pontiac firebird

Pontiac Firebird Parts | AC And Heater | Controls | Blower | Classic

Pontiac Firebird Parts | AC and Heater | Controls | Blower | Classic www.classicindustries.com

blower firebird 1969 motor resistor air pontiac parts heater conditioning ac

Four Seasons Cooling Fan Temperature Switch For 1982-1992 Pontiac

Four Seasons Cooling Fan Temperature Switch for 1982-1992 Pontiac www.ebay.com

For 1983-1995 Pontiac Firebird Auxiliary Fan Motor 63822FV 1984 1985

For 1983-1995 Pontiac Firebird Auxiliary Fan Motor 63822FV 1984 1985 www.ebay.com

motor fan firebird pontiac auxiliary 1983 1984 1986 1987 1985 1995 notes radiator molded connector left side into

[DIAGRAM] Wiring Diagram For 1995 Firebird FULL Version HD Quality 1995

[DIAGRAM] Wiring Diagram For 1995 Firebird FULL Version HD Quality 1995 jokediagrams.scsgestioni.it

camaro lt1 headlight harness u0026

Wiring Diagram PDF: 2002 Pontiac Sunfire Ac Wiring Diagram

Wiring Diagram PDF: 2002 Pontiac Sunfire Ac Wiring Diagram wiring-pdf.blogspot.com

pontiac sunfire 2002 p0480

1995 Crown Victoria Stereo Wiring Diagram - Wiring Schema

1995 Crown Victoria Stereo Wiring Diagram - Wiring Schema wiringschema101.blogspot.com

trac imageservice interceptor celica schemas xlt

1986 Pontiac Firebird Cooling Fan: The Fan Will Not Run Unless Air...

1986 Pontiac Firebird Cooling Fan: the Fan Will Not Run Unless Air... www.2carpros.com

fan pontiac cooling firebird 1986 sponsored links air conditioner 2carpros

[diagram] wiring diagram for 1995 firebird full version hd quality 1995. Pontiac firebird parts. Trac imageservice interceptor celica schemas xlt