1999 infiniti g20 engine diagram

Engine Not Starting?: Today, While I Backed Up and Shifted to. 16 Images about Engine Not Starting?: Today, While I Backed Up and Shifted to : 2001 Infiniti I30 Engine Diagram | Wiring Diagram, How do I replace a starter on a 1999 infiniti G20T? and also 2003 COYW - 2003 Infiniti G35 - Motor Trend.

Engine Not Starting?: Today, While I Backed Up And Shifted To

Engine Not Starting?: Today, While I Backed Up and Shifted to www.2carpros.com

enlarge starting engine replace relay horn 2carpros

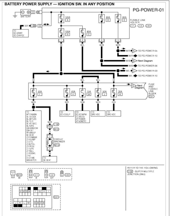
Infiniti Engine Diagram - Wiring Diagram

Infiniti Engine Diagram - Wiring Diagram alohagrace.blogspot.com

infiniti

2001 Infiniti I30 Engine Diagram | Wiring Diagram

2001 Infiniti I30 Engine Diagram | Wiring Diagram volk.4.wvwolfsburg.de

infiniti i30 diagram engine 2001 wiring sensor coolant 1996 temperature 2000 code located temp location v6 j30 infinity 2007 clsd

Engine Control Module - 1993 Infiniti G20

Engine Control Module - 1993 Infiniti G20 www.infinitipartsdeal.com

crankshaft

I Have A 99 Infiniti G20 2.0 We Just Bought The Car.and On The Way Home

I have a 99 infiniti G20 2.0 we just bought the car.and on the way home www.justanswer.com

g20 idle same

2003 COYW - 2003 Infiniti G35 - Motor Trend

2003 COYW - 2003 Infiniti G35 - Motor Trend motortrend.com

INFINITI G20 Connector Fusible Link. ROOM, ENGINE, CAL - 24370-89905

INFINITI G20 Connector Fusible Link. ROOM, ENGINE, CAL - 24370-89905 www.infinitiofmanhassetparts.com

infiniti g20 fusible d5100

How Do I Replace A Starter On A 1999 Infiniti G20T?

How do I replace a starter on a 1999 infiniti G20T? www.justanswer.com

infiniti starter 1999 g20 replace engine nissan graphic g20t hosing connected remove section intake

Wiring Diagram For 2002 Infiniti G20 - Complete Wiring Schemas

Wiring Diagram For 2002 Infiniti G20 - Complete Wiring Schemas wiring89.blogspot.com

g20

Infiniti G20 (1998-2002) Fuse Diagram • FuseCheck.com

Infiniti G20 (1998-2002) Fuse Diagram • FuseCheck.com fusecheck.com

g20 1998

INFINITI G20 Engine Crankshaft Seal (Front). NDK, SELECT, NOK - 13510

INFINITI G20 Engine Crankshaft Seal (Front). NDK, SELECT, NOK - 13510 parts.infinitiofoxnard.com

g20 rotor vacuum

2005 G35 Engine Diagram | Jfota

2005 G35 Engine Diagram | Jfota jfota.blogspot.com

g35 al500 assy infiniti

Control Unit - 2000 Infiniti G20

Control Unit - 2000 Infiniti G20 www.infinitipartsdeal.com

g20 aircon

INFINITI G20 Relay ANTISKID. ROOM, ENGINE, ABS - 47605-2J000 | INFINITI

INFINITI G20 Relay ANTISKID. ROOM, ENGINE, ABS - 47605-2J000 | INFINITI parts.infinitiofnashua.com

2j000 antiskid

Fuse Box Diagram Infiniti G20 (P11; 1998-2002)

Fuse Box Diagram Infiniti G20 (P11; 1998-2002) fuse-box.info

infiniti g20 2002 fuse 1998 box location

Engine Not Starting?: Today, While I Backed Up And Shifted To

Engine Not Starting?: Today, While I Backed Up and Shifted to www.2carpros.com

enlarge starting engine infiniti relay horn 2carpros

2001 infiniti i30 engine diagram. G20 idle same. G35 al500 assy infiniti