2002 pontiac grand prix wiring diagram

I have a 2003 Pontiac Grand Prix SE. When the car is running and I turn. 16 Pictures about I have a 2003 Pontiac Grand Prix SE. When the car is running and I turn : Window Wiring Diagram 2002 Pontiac Grand Prix - Complete Wiring Schemas, 2002 Pontiac Grand Prix Radio Wiring Diagram and also 2002 Pontiac Grand Prix Radio Wiring Diagram.

I Have A 2003 Pontiac Grand Prix SE. When The Car Is Running And I Turn

I have a 2003 Pontiac Grand Prix SE. When the car is running and I turn www.justanswer.com

prix grand 2003 pontiac century 2001 buick 2000 blower hvac controls justanswer autozone fig

2002 Pontiac Grand Prix Radio Wiring Diagram

2002 Pontiac Grand Prix Radio Wiring Diagram hestiahelper.blogspot.com

firebird durango bonneville schema ec25 imageservice marqui mainetreasurechest marquis sunfire gt inspirational

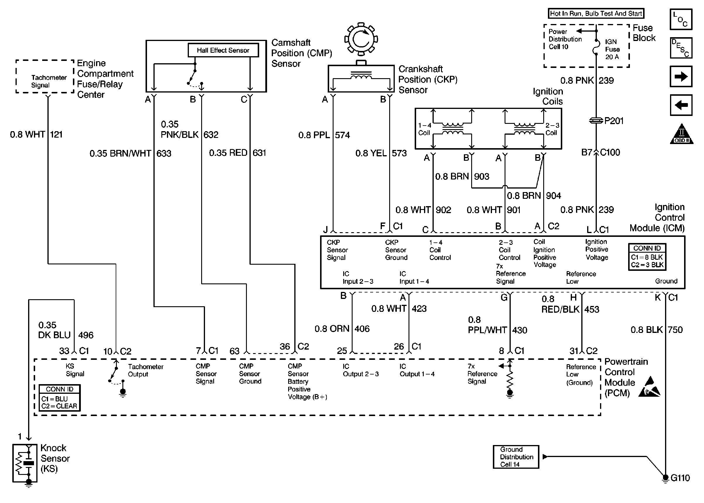
2008 Pontiac Grand Prix 5.3L MFI OHV 8cyl | Repair Guides | Wiring

2008 Pontiac Grand Prix 5.3L MFI OHV 8cyl | Repair Guides | Wiring www.autozone.com

wiring system charging 1998 schematic 2008 diagrams honda autozone passport electrical fig pontiac prix grand 2002

1996 Pontiac Grand Am Big Time Wiring Issue

1996 Pontiac Grand Am Big Time Wiring Issue www.2carpros.com

pontiac grand am wiring 1996 issue enlarge

[DIAGRAM] 2001 Pontiac Grand Prix Se Engine Diagram Wiring FULL Version

[DIAGRAM] 2001 Pontiac Grand Prix Se Engine Diagram Wiring FULL Version eteachingplus.de

wiring avh autozone

2002 Pontiac Grand Prix Heater Wiring Diagram - Cars Wiring Diagram

2002 Pontiac Grand Prix Heater Wiring Diagram - Cars Wiring Diagram yosalsero.blogspot.com

grand prix wiring pontiac heater diagram 2002 ac 2005

Pontiac Grand Am Engine Diagram - Madcomics

Pontiac Grand Am Engine Diagram - madcomics madcomics.blogspot.com

sunfire sfi imageservice fiero

2006 Pontiac Grand Prix 3.8L MFI OHV 6cyl | Repair Guides | Engine

2006 Pontiac Grand Prix 3.8L MFI OHV 6cyl | Repair Guides | Engine www.autozone.com

diagram fan 2003 cooling wiring system condenser mpv mazda circuit 2006 autozone prix grand fig pontiac

2008 Pontiac Grand Prix 5.3L MFI OHV 8cyl | Repair Guides | Wiring

2008 Pontiac Grand Prix 5.3L MFI OHV 8cyl | Repair Guides | Wiring www.autozone.com

diagrams wiring autozone schematic charging 1998 electrical fig system

30 2005 Pontiac Grand Prix Serpentine Belt Diagram - Wiring Database 2020

30 2005 Pontiac Grand Prix Serpentine Belt Diagram - Wiring Database 2020 rachelleogyaz.blogspot.com

pontiac serpentine gxp

Wiring Diagram For Car Electric Windows

Wiring Diagram For Car Electric Windows wiringdiagramall.blogspot.com

wiring e250 y11 wingroad fusebox cargurus tauru 1757 wrg

Window Wiring Diagram 2002 Pontiac Grand Prix - Complete Wiring Schemas

Window Wiring Diagram 2002 Pontiac Grand Prix - Complete Wiring Schemas wiring89.blogspot.com

pontiac 2002

33 Pontiac Engine Diagram 8 - Wiring Diagram Networks

33 Pontiac Engine Diagram 8 - Wiring Diagram Networks kelvin-okl.blogspot.com

studebaker imageservice 1951

Wiring Diagram For 1989 Pontiac Grand Prix - Complete Wiring Schemas

Wiring Diagram For 1989 Pontiac Grand Prix - Complete Wiring Schemas wiring89.blogspot.com

pontiac tach

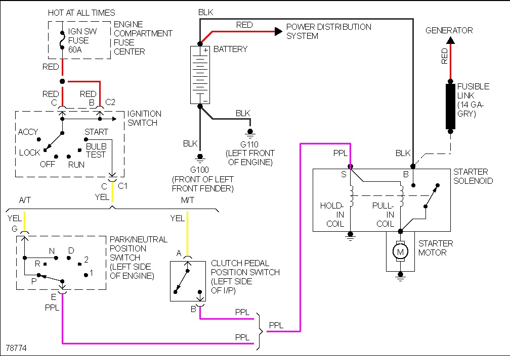
Pontiac Grand Prix Wiring Diagram

Pontiac Grand Prix Wiring Diagram strawberry-sweet.blogspot.com

source strawberry sweet

30 Pontiac Grand Prix Suspension Diagram - Wiring Diagram Database

30 Pontiac Grand Prix Suspension Diagram - Wiring Diagram Database kovodym.blogspot.com

pontiac prix grand diagram suspension gm oem arm lower control

Source strawberry sweet. Wiring system charging 1998 schematic 2008 diagrams honda autozone passport electrical fig pontiac prix grand 2002. 2002 pontiac grand prix heater wiring diagram