2003 pontiac grand am engine diagram

1992 Pontiac Grand Am Timing Chain Marks: What Are the. 16 Pics about 1992 Pontiac Grand Am Timing Chain Marks: What Are the : Pin on Recipes to Cook, 2003 Pontiac Grand Am Water Pump: Where Is the Water Pump on a and also 2002 Pontiac Grand AM: I Have a 2002 Pontiac Grand Am and the.

1992 Pontiac Grand Am Timing Chain Marks: What Are The

1992 Pontiac Grand Am Timing Chain Marks: What Are the www.2carpros.com

timing chain pontiac grand am marks 1992 2carpros

2001 PONTIAC GRAND AM Service Repair Manual By 163102361 - Issuu

2001 PONTIAC GRAND AM Service Repair Manual by 163102361 - Issuu issuu.com

20 Most Recent 1999 Pontiac Grand Am GT Questions & Answers - Fixya

20 Most Recent 1999 Pontiac Grand Am GT Questions & Answers - Fixya www.fixya.com

fixya idle purge

2002 Pontiac Grand Am 2.2 Engine, Won't Start, Came On Here Before To

2002 pontiac grand am 2.2 engine, won't start, came on here before to www.justanswer.com

grand am 2002 pontiac engine start enjoyed ask feel working again come request really another please

2002 Pontiac Grand Am Serpentine Belt Diagram - Free Wiring Diagram

2002 Pontiac Grand Am Serpentine Belt Diagram - Free Wiring Diagram tianpinyt.blogspot.com

serpentine tensioner pully

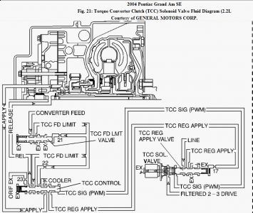
2004 Pontiac Grand Am Service Engine Soon: PO741 Torque Converter

2004 Pontiac Grand Am Service Engine Soon: PO741 Torque Converter www.2carpros.com

engine pontiac grand am 2004 soon service code system

30 Pontiac Grand Prix Suspension Diagram - Wiring Diagram Database

30 Pontiac Grand Prix Suspension Diagram - Wiring Diagram Database kovodym.blogspot.com

suspension parts diagram rear chevelle skylark end gto pontiac prix grand cutlass below amp

1999 Pontiac Grand AM Sometimes When Attempting To Start The Car The

1999 Pontiac Grand AM sometimes when attempting to start the car the www.justanswer.com

crank

2000 Pontiac Grand Am Brake Line Diagram - Free Wiring Diagram

2000 Pontiac Grand Am Brake Line Diagram - Free Wiring Diagram tianpinyt.blogspot.com

bonneville ssei bonnieville

2003 Pontiac Grand Am Water Pump: Where Is The Water Pump On A

2003 Pontiac Grand Am Water Pump: Where Is the Water Pump on a www.2carpros.com

3400 Sfi Engine Cooling System Diagram - General Wiring Diagram

3400 Sfi Engine Cooling System Diagram - General Wiring Diagram galvinconanstuart.blogspot.com

alero oldsmobile pontiac sfi intrigue schematic gm

2002 Pontiac Grand AM: I Have A 2002 Pontiac Grand Am And The

2002 Pontiac Grand AM: I Have a 2002 Pontiac Grand Am and the 2carpros.com

pontiac grand am 2002

1999 Pontiac Grand Am Engines | Design Corral

1999 Pontiac Grand Am Engines | Design Corral designcorral.com

1999 Pontiac Grand AM Parts Location Pictures (Covering Entire Vehicle

1999 Pontiac Grand AM Parts Location Pictures (Covering Entire Vehicle www.automotix.net

pontiac 1999 grand am diagram components location compartment v6 gas engine component

99 Pontiac Grand Am Engine Diagram - Wiring Diagram Networks

99 Pontiac Grand Am Engine Diagram - Wiring Diagram Networks kelvin-okl.blogspot.com

sensor engine 4l crank module pontiac grand am gm diagram ignition test quad wiring

Pin On Recipes To Cook

Pin on Recipes to Cook www.pinterest.com

pontiac engine prix grand diagram parts 3800 v6 coolant cooling series system 2003 8l buick asm harness wiring am gm

Pin on recipes to cook. 2002 pontiac grand am serpentine belt diagram. Suspension parts diagram rear chevelle skylark end gto pontiac prix grand cutlass below amp