2005 tahoe electric fan diagram

Blower Motor Wiring Diagram For 2005 Chevy Tahoe | Diagram Source. 17 Pictures about Blower Motor Wiring Diagram For 2005 Chevy Tahoe | Diagram Source : I have a 99 Tahoe that keeps blowing the HVAC control module, I have, Where is the blower motor resistor on 2004 tahoe? could this be the and also Cooling Fan for 2005 Chevrolet Tahoe | GMPartsDirect.com.

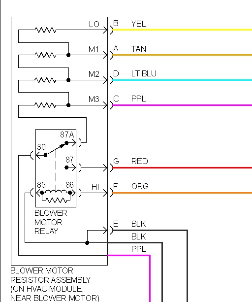
Blower Motor Wiring Diagram For 2005 Chevy Tahoe | Diagram Source

Blower Motor Wiring Diagram For 2005 Chevy Tahoe | Diagram Source lavasmagas.blogspot.com

diagram fireplace dimplex thermostat baseboard fireplaces servisi wiringg

Where Is The Blower Motor Resistor On 2004 Tahoe? Could This Be The

Where is the blower motor resistor on 2004 tahoe? could this be the www.justanswer.com

yukon tahoe blower 2004 motor 2003 speed resistor rr hvac fanb runs pull even key low works fan justanswer underneath

Started Tahoe, Blower On Heater Working, Put Into Gear Started To Drive

Started Tahoe, Blower on heater working, put into gear started to drive www.justanswer.com

wiring diagram starter tahoe chevy yukon gmc heater start 1997 2007 wire sensor gear brake chevrolet blower relay suburban clicking

2006 Tahoe Wiring Diagram - Squabb

2006 Tahoe Wiring Diagram - squabb squabblesinabox.blogspot.com

2003 2006 wiring tahoe diagram silverado chevy yukon gmc wire remote horn start bcm 1999 door keyless 2002 pictorial parking

The Air Conditioning Fan On Our 1999 Chev Tahoe Does Not Come On. Is

The air conditioning fan on our 1999 Chev Tahoe does not come on. Is www.justanswer.com

tahoe 1999 air relay gmc fan conditioning suburban switch chevy problem 2007 removal fuse actuator links

GMC C6500 WIRING - Auto Electrical Wiring Diagram

GMC C6500 WIRING - Auto Electrical Wiring Diagram electrowiring.herokuapp.com

c6500

2006 Chevy Tahoe. The Heater Blower Will Not Shut Off - Even When The

2006 Chevy Tahoe. The heater blower will not shut off - even when the www.justanswer.com

tahoe chevy 2006 heater blower diagram chevrolet z71 further answer ask rate please before need

Chevrolet Tahoe (2004) - Fuse Box Diagram - Auto Genius | Fuse Box

Chevrolet Tahoe (2004) - fuse box diagram - Auto Genius | Fuse box www.pinterest.com

wiring tahoe fusibles venture silverado autogenius fuses switch wiper carknowledge

The Rear Fan Of My 2000 Chevy Tahoe Is Intermittent. It Will Stop And

The rear fan of my 2000 Chevy Tahoe is intermittent. It will stop and www.justanswer.com

blower motor intermittent tahoe rear chevy 2000 resistor remove bump start disconnect quarter electrical trim panel right

Wiring Diagram PDF: 2003 Chevy Blower Motor Wiring Diagram

Wiring Diagram PDF: 2003 Chevy Blower Motor Wiring Diagram wiring-pdf.blogspot.com

I Have A 99 Tahoe That Keeps Blowing The HVAC Control Module, I Have

I have a 99 Tahoe that keeps blowing the HVAC control module, I have www.justanswer.com

tahoe hvac control chevy diagram wiring module chevrolet blowing keeps

2008 Ford Escape Cooling Fan Wiring Diagram - Wiring Diagram

2008 Ford Escape Cooling Fan Wiring Diagram - Wiring Diagram wiringdiagram101.blogspot.com

cj7 schematic peterbilt wiringg cj5 vacuum kelisa powerplay fixya choke

2005 Chevy Silverado Blower Motor Wiring Diagram - Estamo Sentreovillos

2005 Chevy Silverado Blower Motor Wiring Diagram - estamo sentreovillos estamosentreovillos.blogspot.com

wiring chevy autozone

Cooling Fan For 2005 Chevrolet Tahoe | GMPartsDirect.com

Cooling Fan for 2005 Chevrolet Tahoe | GMPartsDirect.com www.gmpartsdirect.com

2005

Fuse Box Diagram Chevrolet Silverado (mk1; 1999-2007) | Chevrolet

Fuse Box Diagram Chevrolet Silverado (mk1; 1999-2007) | Chevrolet www.pinterest.com

mk1 suburban hood fuses relays sicherungen belegung sicherungskasten diagrams dieselmotor fusebox inj bolidenforum psoriasisguru ctsy

Roger Vivi Ersaks: 2005 Chevrolet Silverado Blower Motor Wiring Diagram

roger vivi ersaks: 2005 Chevrolet Silverado Blower Motor Wiring Diagram rogerviviersaks.blogspot.com

wiring chevy resistor autozone imageservice ersaks

The Blower Motor On My Chevy Tahoe, (2005) Is Not Shutting Off Even

The blower motor on my Chevy Tahoe, (2005) is not shutting off even www.justanswer.com

blower tahoe

2006 chevy tahoe. the heater blower will not shut off. Blower motor intermittent tahoe rear chevy 2000 resistor remove bump start disconnect quarter electrical trim panel right. Roger vivi ersaks: 2005 chevrolet silverado blower motor wiring diagram