300zx car diagram

Pick of the Day: 1996 Nissan 300ZX that commemorates the original Z car. 18 Images about Pick of the Day: 1996 Nissan 300ZX that commemorates the original Z car : Pick of the Day: 1996 Nissan 300ZX that commemorates the original Z car, [DIAGRAM] Nissan 300zx Parts Diagram FULL Version HD Quality Parts and also Nissan 300ZX 1993 Fuse Box/Block Circuit Breaker Diagram » CarFuseBox.

Pick Of The Day: 1996 Nissan 300ZX That Commemorates The Original Z Car

Pick of the Day: 1996 Nissan 300ZX that commemorates the original Z car journal.classiccars.com

300zx commemorates

Motorsport! 70-78 240Z-260Z-280Z - The Z Store, Nissan-Datsun 240Z-260Z

Motorsport! 70-78 240Z-260Z-280Z - The Z Store, Nissan-Datsun 240Z-260Z www.thezstore.com

suspension datsun 240z nissan components 280z 300zx 280zx bar 370z rack control bushings sway ball z32 parts steering 350z 260z

TwinTurbo.NET: Nissan 300ZX Forum - Lot's Of Pics

TwinTurbo.NET: Nissan 300ZX forum - Lot's of pics www.twinturbo.net

engine cheetah bay

Repair-manuals: Nissan 300ZX 1986 Z31 Factory Repair Manual

repair-manuals: Nissan 300ZX 1986 Z31 Factory Repair Manual repair-manuals.blogspot.com

z31 300zx nissan repair

1991 Nissan 300ZX Specs, Engine Size 3.0, Fuel Type Gasoline, Drive

1991 Nissan 300ZX specs, Engine size 3.0, Fuel type Gasoline, Drive www.cars-directory.net

300zx 255px 340px

300zx Manual Boost Controller Install

300zx manual boost controller install pereviewcourse.com

300zx manual controller

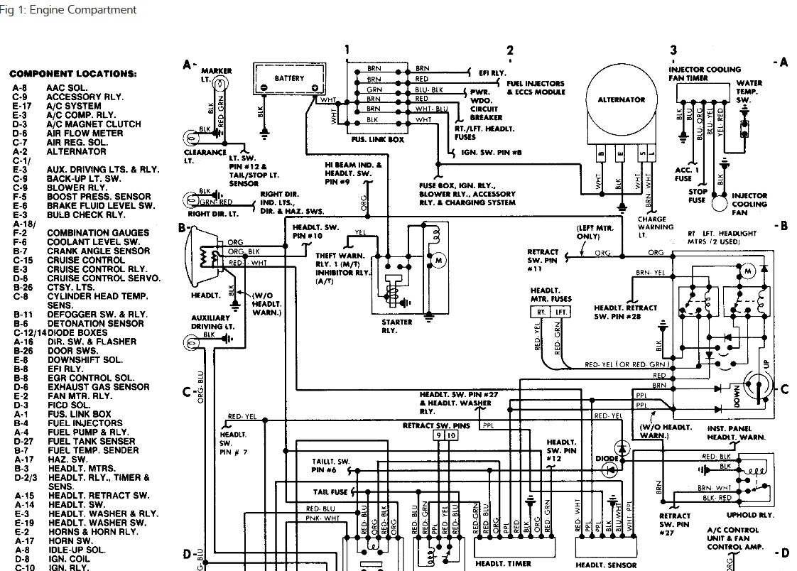
[DIAGRAM] Nissan 300zx Parts Diagram FULL Version HD Quality Parts

[DIAGRAM] Nissan 300zx Parts Diagram FULL Version HD Quality Parts diagrammaticlymcoq.senologiainfo.it

300zx

Repair-manuals: Nissan 300ZX Z32 1996 Repair Manual

repair-manuals: Nissan 300ZX Z32 1996 Repair Manual repair-manuals.blogspot.com

repair z32 300zx manuals manual nissan 1996 reference quick agustus

Repair-manuals: Nissan 300ZX 1986 Z31 Factory Repair Manual

repair-manuals: Nissan 300ZX 1986 Z31 Factory Repair Manual repair-manuals.blogspot.com

repair 300zx z31 manuals nissan 1986 repairs contains following

1984 Nissan 300ZX Headlights: When We First Bought The Car, We

1984 Nissan 300ZX Headlights: When We First Bought the Car, We www.2carpros.com

300zx wiring z32 starter headlights tt wiringg 2carpros

Motorsport! 79-83 280ZX - The Z Store, Nissan-Datsun 240Z-260Z-280Z

Motorsport! 79-83 280ZX - The Z Store, Nissan-Datsun 240Z-260Z-280Z www.thezstore.com

suspension 280zx datsun 280z nissan strut bar parts components 300zx sway 260z 240z 350z 370z z32 control z31

1988 Nissan 300zx Turbo SS | Dean Bagshaw

1988 Nissan 300zx Turbo SS | Dean Bagshaw deanbagshaw.wordpress.com

300zx 1988 turbo nissan ss

Nissan 300zx Engine Tuck Episode 1 (PTU & Fuse Panel) - YouTube

Nissan 300zx Engine Tuck Episode 1 (PTU & Fuse Panel) - YouTube www.youtube.com

300zx engine panel fuse

17+ Quick Car Gauge Wiring Diagram - Car Diagram - Wiringg.net

17+ Quick Car Gauge Wiring Diagram - Car Diagram - Wiringg.net www.pinterest.com

wiring diagram quick tachometer gauge

Nissan 300ZX 1993 Fuse Box/Block Circuit Breaker Diagram » CarFuseBox

Nissan 300ZX 1993 Fuse Box/Block Circuit Breaker Diagram » CarFuseBox www.carfusebox.com

fuse nissan 300zx diagram box 1993 breaker circuit block carfusebox

Rerouting Stuff Need Help/suggestions - Nissan Forum | Nissan Forums

rerouting stuff need help/suggestions - Nissan Forum | Nissan Forums forums.nicoclub.com

vacuum 300zx diagram z32 nissan diagrams hose tt 1990 hoses rerouting suggestions stuff need help boost guide coolant wiring

Installing The VG 30 In A 510 | Z-Car

Installing the VG 30 in a 510 | Z-Car www.z-car.com

datsun vg30

Pin On 240sx

Pin on 240sx www.pinterest.com

diagram wiring jeep sr20det engine wrangler ecu 240sx harness nissan sensor location 1995 o2 2006 2000 altima connector camaro ss

Repair z32 300zx manuals manual nissan 1996 reference quick agustus. Twinturbo.net: nissan 300zx forum. [diagram] nissan 300zx parts diagram full version hd quality parts