4 to 2 encoder circuit diagram

PCB Resist, InkJet Printing, Epson InkJet, By Volkan Sahin. 9 Pics about PCB Resist, InkJet Printing, Epson InkJet, By Volkan Sahin : Priority Encoder : Truth Table, Verilog Code & Its Applications, Building Encoder and Decoder using SN-7400 Series ICs - DE Part 15 and also Unidrive m700 getting_started_guide_english_iss6.

PCB Resist, InkJet Printing, Epson InkJet, By Volkan Sahin

PCB Resist, InkJet Printing, Epson InkJet, By Volkan Sahin www.piclist.com

inkjet epson pcb head schematics fpga resist printing techref etch vs custom

Simple Motor Optical Encoder - Schematic | PyroElectro - News, Projects

Simple Motor Optical Encoder - Schematic | PyroElectro - News, Projects www.pyroelectro.com

encoder motor schematic optical simple circuit circuits pyroelectro tutorials gr repository

L293D PDF Pinout - Motor Driver IC - ST - DataSheetGo.com

L293D PDF Pinout - Motor Driver IC - ST - DataSheetGo.com www.datasheetgo.com

l293d diagram motor driver block pdf ic pinout datasheet st

Decoder | Combinational Logic Functions | Electronics Textbook

Decoder | Combinational Logic Functions | Electronics Textbook allaboutcircuits.com

decoder circuit decoders logic using inputs line digital combinational outputs into circuits enable larger looks developed allaboutcircuits

Priority Encoder : Truth Table, Verilog Code & Its Applications

Priority Encoder : Truth Table, Verilog Code & Its Applications www.elprocus.com

encoder verilog

Priority Encoder (4:2 Bits)

Priority Encoder (4:2 bits) tams.informatik.uni-hamburg.de

priority encoder gates bits

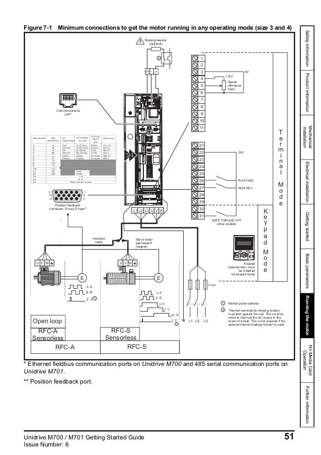
Unidrive M700 Getting_started_guide_english_iss6

Unidrive m700 getting_started_guide_english_iss6 www.slideshare.net

unidrive m700 getting m701 iss6

Building Encoder And Decoder Using SN-7400 Series ICs - DE Part 15

Building Encoder and Decoder using SN-7400 Series ICs - DE Part 15 www.engineersgarage.com

encoder decoder ics

12V 1A SMPS Circuit [1439] : Sunrom Electronics/Technologies

12V 1A SMPS Circuit [1439] : Sunrom Electronics/Technologies www.sunrom.com

5v 12v 2a 1a smps circuit dc ac sunrom 1439 mains filtering 24x7 input operation output protection grade industrial 1447

Inkjet epson pcb head schematics fpga resist printing techref etch vs custom. Priority encoder : truth table, verilog code & its applications. Building encoder and decoder using sn-7400 series ics