76 camaro engine harness diagram

Oldsmobile Oldsmobile Wiring Diagram For 79 - Wiring Diagram. 8 Pictures about Oldsmobile Oldsmobile Wiring Diagram For 79 - Wiring Diagram : 78 Chevy Truck Wiring Diagram in 2021 | Engine diagram, Alternator, 76 Chevy Strarter Selinoid Wiring - Wiring Diagram Networks and also 55 Chevy 350 Wiring Harness - Wiring Diagram Harness.

Oldsmobile Oldsmobile Wiring Diagram For 79 - Wiring Diagram

Oldsmobile Oldsmobile Wiring Diagram For 79 - Wiring Diagram wiring121.blogspot.com

shifter hurst neutral switch safety diagram gate dual wiring mopar hers oldsmobile stick gto parts adjustment park quarter schematic install

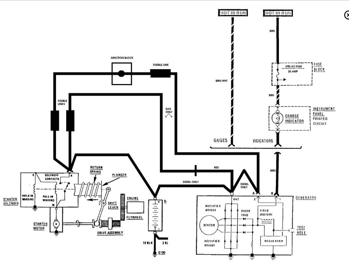
76 Chevy Strarter Selinoid Wiring - Wiring Diagram Networks

76 Chevy Strarter Selinoid Wiring - Wiring Diagram Networks kelvin-okl.blogspot.com

wiring chevy g30 chevette 1978 strarter justanswer wires

Camaro Wiring Diagrams, Electrical Information, Troubleshooting

Camaro Wiring Diagrams, Electrical Information, Troubleshooting nastyz28.com

wiper motogurumag nastyz28 tach u14 guages instrument

55 Chevy 350 Wiring Harness - Wiring Diagram Harness

55 Chevy 350 Wiring Harness - Wiring Diagram Harness wiringdiagramharnessideas.blogspot.com

Camaro Wiring Diagrams, Electrical Information, Troubleshooting

Camaro Wiring Diagrams, Electrical Information, Troubleshooting nastyz28.com

fuse nastyz28 owners diagrams

Ray's Chevy Restoration Site -- Gauges In A '77 Nova

Ray's Chevy Restoration Site -- Gauges in a '77 Nova rmcavoy.freeshell.org

nova gauges chevy 1979 1977 gauge warning lights converting wires arranging re diagrams

Wiring Diagram On 76 Chevy Truck - Wiring Diagram Schemas

Wiring Diagram On 76 Chevy Truck - Wiring Diagram Schemas wiringschemas.blogspot.com

wiring corvette 1970 heater blower ac diagram motor 1972 vacuum control 1971 hose schematic test chevy switch truck willcox c3

78 Chevy Truck Wiring Diagram In 2021 | Engine Diagram, Alternator

78 Chevy Truck Wiring Diagram in 2021 | Engine diagram, Alternator www.pinterest.com

alternator

78 chevy truck wiring diagram in 2021. Wiper motogurumag nastyz28 tach u14 guages instrument. Shifter hurst neutral switch safety diagram gate dual wiring mopar hers oldsmobile stick gto parts adjustment park quarter schematic install